Invisible Remote-Control Lock Tech Brief: Core Differences Between Single & Dual Systems

As a key innovation in modern physical security, smart invisible remote-control locks fall into two architectures: single-system and dual-system. The two differ markedly in reliability, security and service life, directly affecting user experience and safety.

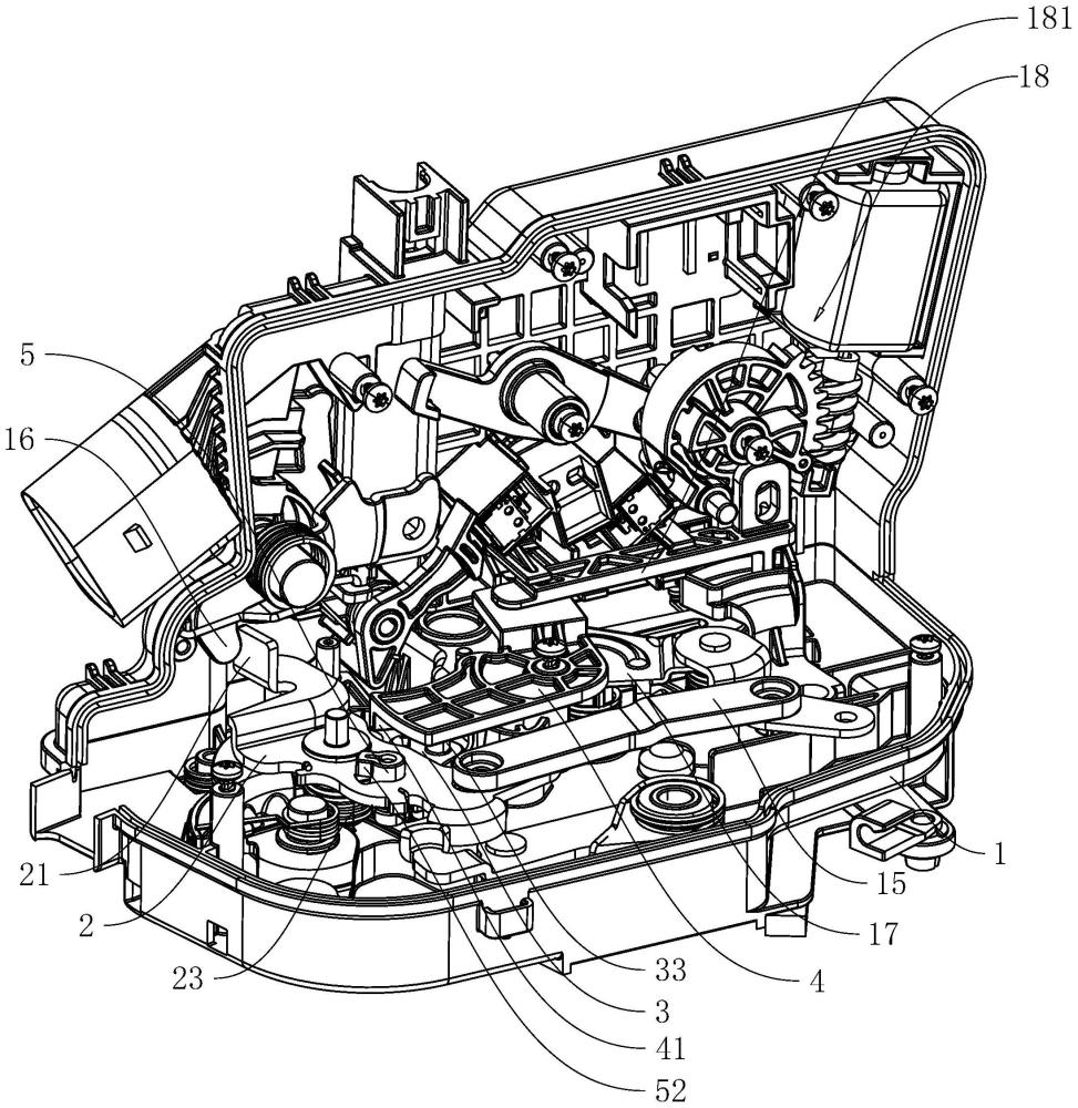
Dual-system invisible smart lock internal structure
Fig 1: Dual-system invisible smart lock internal structure

1. Single-system smart invisible remote lock – technical features

Single-system smart invisible remote anti-theft locks use one PCB and one motor. This low-cost design is common but has clear technical limits:

  • Single point of failure: the whole lock depends on one PCB and one motor
  • Reliability risk: if either component fails the user cannot open the door
  • High repair cost: professional service is needed and the lock is unusable while waiting
  • Wide market share: low price means most brands still offer only single-system products

2. Dual-system smart invisible remote lock – technical advantages

WAFU has concentrated on developing dual-system invisible remote anti-theft locks that adopt dual PCBs and dual motors:

  • Dual redundancy: two independent systems run in parallel, each backing the other up
  • Auto fail-over: when the primary system fails the back-up engages within 0.3 s
  • True zero-failure target: dual-system design eliminates lock-outs caused by a single component fault
  • Longer life: load is shared, so overall wear is reduced

3. Core innovations in WAFU dual-system technology

WAFU has achieved several industry-first breakthroughs:

  • Intelligent fault-detection: real-time monitoring of both systems with early-warning alerts
  • Seamless switching: change-over is invisible to the user and does not affect normal operation
  • Balanced-load algorithm: smart sharing of work between the two systems prevents premature ageing
  • Modular design: faulty modules can be swapped individually, cutting maintenance cost

4. Multiple entry modes of smart invisible remote locks

Modern smart invisible locks provide several opening methods for different scenarios:

4.1 Remote-control unlock

  • Rolling-code technology prevents signal cloning
  • 15–20 m effective range for convenient remote operation
  • Multi-remote pairing meets family-member needs

4.2 Mobile-APP unlock

  • Connects via Bluetooth or Wi-Fi
  • Supports remote authorisation and temporary PINs
  • Real-time push notifications keep users informed

4.3 Fingerprint unlock

  • Semiconductor live-finger recognition
  • <0.5 s recognition, FAR <0.001 %
  • Stores multiple fingerprints for family use

4.4 PIN-code unlock

  • Virtual-PIN technology prevents shoulder-surfing
  • One-time temporary codes for visitors
  • Auto lock-out after wrong codes for extra security

5. Real-world value of dual-system technology

WAFU dual-system invisible locks show clear advantages in daily use:

  • Home owners: eliminates the risk of being locked out because of a single component failure
  • Commercial premises: guarantees that office, retail or warehouse entrances remain usable
  • Rental properties: reduces tenant complaints and maintenance cost caused by lock failure
  • High-end residences: provides a security level that matches premium real-estate value

6. Industry trends & technology outlook

As smart-security technology evolves, invisible locks will move in the following directions:

  • Redundant design becomes standard: dual- or even multi-system architectures will be basic features of premium products
  • Smarter intelligence: AI algorithms will enable predictive maintenance and early fault detection
  • Deeper integration: tight coupling with smart-home ecosystems for scenario-based automation
  • Higher security: closer fusion of biometrics and encryption technology
"In the smart-lock field, reliability is a more important core metric than features. WAFU’s dual-system technology solves the reliability problem at the root and gives users true security." —— R&D Director, WAFU Smart
WhatsApp
WhatsApp QR code

WhatsApp:

+86 19501835094

phone

Phone: +86 19501835094

email
backTop